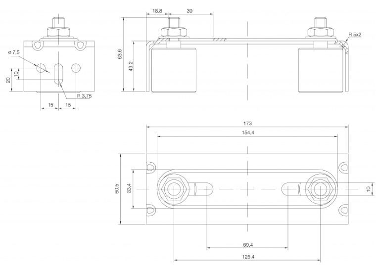
Herrajes para portones